Bảng thông số kỹ thuật chi tiết của Máy bơm hai cửa hút Kaiquan KQSN300-M13/331 90kW

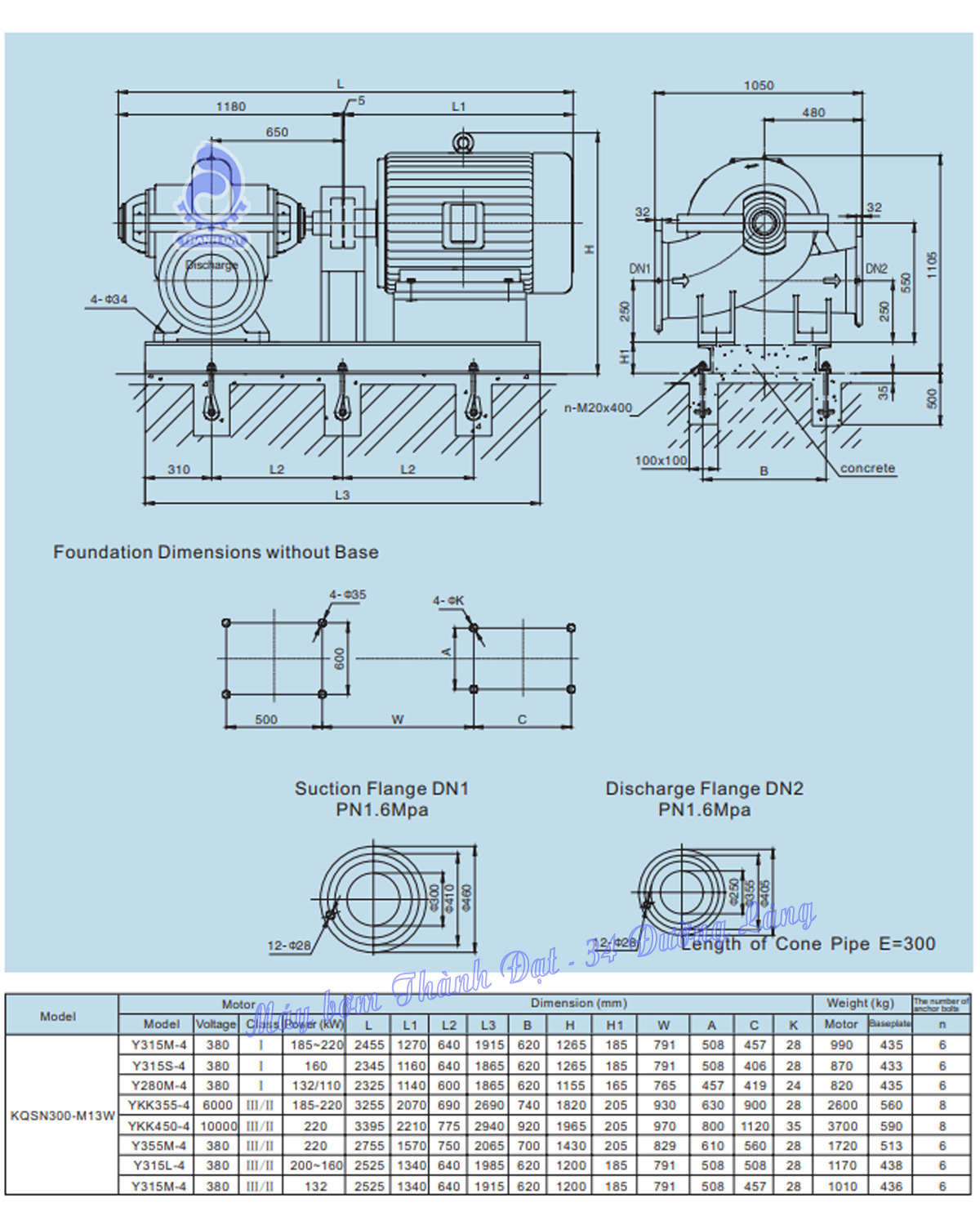
Bảng thông số chi tiết kích thước của Máy bơm hai cửa hút Kaiquan KQSN300-M13/331 90kW

Biểu đồ thông số lưu lượng cột áp của Máy bơm hai cửa hút Kaiquan KQSN300-M13/331 90kW







