Bảng thông số kỹ thuật chi tiết của Máy bơm hai cửa hút Kaiquan KQSN300-M6/482 250kW

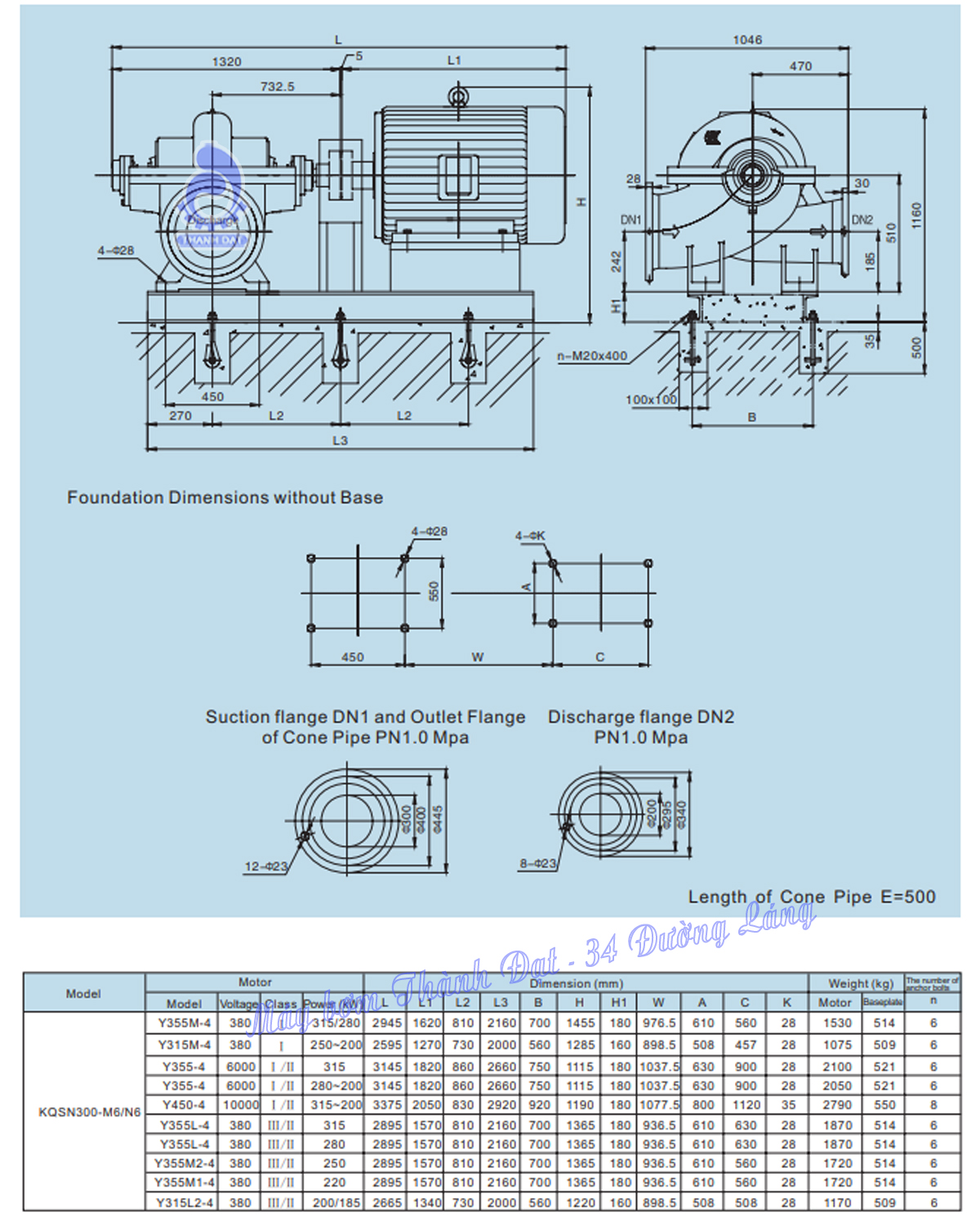
Bảng thông số chi tiết kích thước của Máy bơm hai cửa hút Kaiquan KQSN300-M6/482 250kW

Biểu đồ thông số lưu lượng cột áp của Máy bơm hai cửa hút Kaiquan KQSN300-M6/482 250kW







