Contents
Máy bơm nước Pentax CM40-200A 10HP nhập khẩu Ý
Máy bơm nước Pentax CM40-200A – Pentax CM là một trong những dòng máy bơm công nghiệp trục liền được sản xuất dựa trên các công nghệ đạt chuẩn Châu Âu với hiệu suất làm việc cao, bơm hoạt động liên tục trong nhiều giờ.
Hiện dòng bơm Pentax CM được nhập khẩu về Việt Nam với rất nhiều model bơm khác nhau cùng các công suất lớn nhỏ. Một trong những model bơm công nghiệp Pentax CM đang được bán chạy nhất phải kể tới sản phẩm Pentax CM40-200A.

Đây là một trong những model bơm có công suất 7.5KW có khả năng bơm được lượng nước lên tới 57.7 m và được nhập khẩu về Việt Nam với đầy đủ giấy tờ nhập khẩu CO, CQ.
Hiện sản phẩm bơm này đang được phân phối chính hãng ở rất nhiều đơn vị cung cấp máy bơm trong đó có Máy bơm nước Thành Đạt.
Vì thế Quý khách hàng khi cần tìm hiểu về sản phẩm bơm này cũng như báo giá thì có thể liên hệ với Công ty chúng tôi qua Hotline Miền Bắc 0913 98 58 08 – Hotline Miền Nam 0909 152 999 hoặc email thanhdat@maycongnghiep.vn để được tư vấn báo giá tốt nhất.để được mua hàng chính hãng với giá cả cạnh tranh nhất
Tổng quan về sản phẩm bơm công nghiệp Pentax 10HP CM40-200A
Là một trong những sản phẩm bơm được sử dụng rộng rãi hiên nay thế nhưng không phải khách hàng nào cũng hiểu rõ về dòng bơm này. Vì thế để giúp mọi người hiểu rõ hơn về dòng bơm công nghiệp Pentax CM40-200A này, Máy bơm nước Thành Đạt xin giới thiệu tới mọi người các thông tin sau đây.
Thông số kỹ thuật chi tiết về máy bơm nước Pentax CM40-200A
Bảng thông số kỹ thuật của máy bơm công nghiệp Pentax CM40-200A

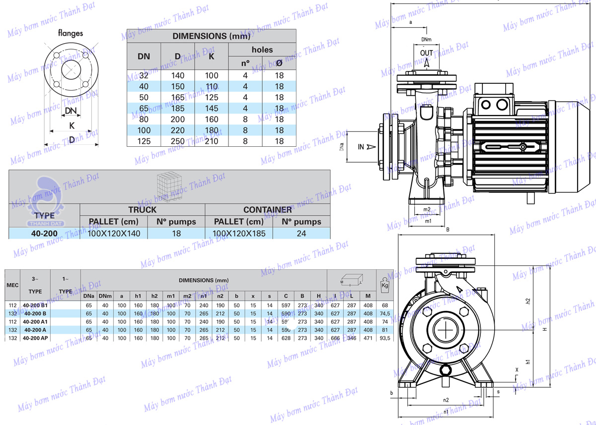
Bảng thông số chi tiết kích thước của máy bơm nước Pentax CM40-200A
Biểu đồ lưu lượng cột áp của máy bơm Pentax CM40-200A

Thông số kỹ thuật và đặc điểm chi tiết của bơm công nghiệp Pentax CM40-200A 10HP
| Model | CM40-200A |
| Công suất | 10HP – 7.5KW |
| Điện áp | 3 phase/380V |
| Lưu lượng nước | 9 – 42 m3/h |
| Cột áp | 56.5 – 41.6 m |
| Áp suất vận hành | max 10 bar |
| Kích thước đóng gói | 627x287x408 mm |
| Trọng lượng | 81 kg |
| Nhiệt độ chất lỏng | -10 ÷ 90 °C |
| Tần số | 50 Hz |
| Số cực | 2 cực |
| Thân máy bơm | Gang |
| Giá đỡ bơm | Gang |
| Trục máy bơm | Thép không gỉ AISI 304 |
| Phớt bơm | Ceramic-graphite |
| Cánh bơm | Đồng hoặc gang (tùy từng phiên bản) |
| Lớp cách điện | F |
| Lớp bảo vệ | IP55 |
| Bảo vệ quá tải nhiệt | Tự động ngắt |
| Bảo hành | 12 tháng |
| Hãng sản xuất | Pentax |
| Xuất xứ | Italy |
Sản phẩm bơm Pentax CM40-200A sử dụng điện áp 3 pha 380V cùng công suất 10HP tương ứng với 7.5KW nhờ đó giúp bơm có thể bơm được lượng nước có cột áp 56.5 – 41.6 m cùng lưu lượng 9 – 42 m3/h.
Đặc điểm cấu tạo của bơm công nghiệp Pentax 10HP
Về cấu tạo sản phẩm máy bơm Pentax CM40-200A được làm từ những vật liệu vô cùng chắc chắn và được sơn lớp tĩnh điện. Với phần thân bơm và giá đỡ động cơ được làm bằng gang, trục bơm được làm bằng inox AISI 304, cánh bơm được làm bằng đồng hoặc gang, phớt bơm được làm từ gốm ceramic-graphite.

Bơm được trang bị lớp cách điện F, lớp bảo vệ IP55 nhờ đó giúp bảo vệ máy bơm không bị hở điện hay han gỉ trong suốt quá trình sử dụng bơm. Bơm có thể bơm được lượng nước nhiệt độ từ -10 độ C – 90 độ C.
Ứng dụng của bơm công nghiệp Pentax CM40-200A
Sản phẩm bơm công nghiệp Pentax 10HP hiện được tin dùng vào rất nhiều lĩnh vực khác nhau như:
- Máy bơm được sử dụng để cung cấp nước cho các tòa nhà, các khu chung cư
- Bơm được dùng để cấp nước cho các hệ thống thủy lợi.
- Bơm được dùng vào các hệ thống bơm chữa cháy để cung cấp lượng nước đủ lớn giúp đảm bảo an toàn cho các tòa nhà, khu chung cư, khu công nghiệp.
- Bơm được dùng vào các hệ thống bơm tưới tiêu, cấp nước phục vụ sản xuất nông nghiệp.
- Bơm được dùng vào các hệ thống làm mát
Địa chỉ mua bơm công nghiệp Pentax CM chính hãng
Pentax đang là thương hiệu máy bơm đang bị làm nhái rất nhiều và được bán với giá rẻ hơn sản phẩm bơm Pentax chính hãng rất nhiều. Vì thế để đảm bảo mua được bơm Pentax chính hãng thì mọi người cần phải tìm tới mua bơm tại đại lý phân phối của Pentax.
Một trong những đại lý cấp bơm Pentax uy tín để mọi người có thể tìm tới mua bơm tại Máy bơm nước Thành Đạt – 34 đường Láng.

Công ty Thành Đạt hiện đang là nhà phân phối của rất nhiều thương hiệu máy bơm lớn trong đó có Pentax. Công ty chúng tôi hiện đang cung cấp các sản phẩm bơm công nghiệp, bơm trục đứng, bơm nước thải, bơm giếng khoan, bơm trục rời, …. với nhiều công suất khác nhau.
Tất cả các sản phẩm bơm do Công ty cung cấp đều là hàng nhập khẩu chính hãng, có đầy đủ tem mác, tem chống hàng giả, đầy đủ CO, CQ, bảo hành chính hãng trong 12 tháng.
Bên cạnh đó, giá thành sản phẩm bơm Pentax do Công ty cung cấp luôn có giá thành cạnh tranh so với các đơn vị cung cấp bơm.
Ngoài ra Thành Đạt là đơn vị có đội ngũ nhân viên kinh doanh, nhân viên kỹ thuật có chuyên môn được đào tạo bài bản để hỗ trợ Quý khách trong suốt quá trình lựa chọn và sử dụng sao cho hiệu quả.
Vì thế khi cần tìm một địa chỉ cung cấp các sản phẩm bơm Pentax cũng như sản phẩm bơm Pentax CM, mọi người có thế liên hệ với Công ty chúng tôi theo:
CÔNG TY TNHH SẢN XUẤT THƯƠNG MẠI VÀ CÔNG NGHIỆP THÀNH ĐẠT
- Hà Nội: 34 Đường Láng, Ngã Tư Sở, Hà Nội
- Hồ Chí Minh: 815/7 Hương Lộ 2, phường Bình Trị Đông A, quận Bình Tân, TPHCM
- Điện thoại: 024 3564 1884 – 024 3564 3397
- Fax: 024 3782 1461
- Hotline Miền Bắc: 0913 985 808
- Hotline Miền Nam: 0909 152 999
- Email: thanhdat@maycongnghiep.vn









