• Ưu đãi về giá
  • Uy tín, chất lượng
  • Vận chuyển toàn quốc
Hotline hỗ trợ 0912616114

Máy bơm trục đứng Pentax Ultra 3V

  • Thương hiệu: Pentax Máy Bơm trục đứng đa tầng cánh PENTAX
  • Giá: Liên Hệ
  • Công suất: 1HP - 3HP
  • Lưu lượng: max 4,8 m3/h
  • Cột áp: max 121,5 m
  • Tình trạng: Hàng mới
  • Bảo hành: 12 tháng
  • Sản xuất tại: Ý - Italy

Máy bơm trục đứng Pentax Ultra 3V dòng bơm trục đứng cánh nhựa chất lượng cao

Máy bơm trục đứng Pentax Ultra 3V – Nếu như Quý khách hàng đang cần tìm 1 dòng bơm trục đứng cánh nhựa chất lượng cao để sử dụng vào các dự án, công trình cấp nước thì mọi người có thể tham khảo dòng máy bơm trục đứng Pentax Ultra 3V.

Đây là dòng máy bơm ly tâm, đa tầng cánh, hoạt động dựa trên nguyên lý lực ly tâm. Thiết kế đa tầng cánh giúp máy bơm có thể đẩy nước lên cao, phù hợp cho việc cấp nước cho các tòa nhà cao tầng, hệ thống tuần hoàn, lọc nước, và các hệ thống chữa cháy.

Thông tin chi tiết về dòng bơm ly tâm trục đứng này

Quý khách hàng để hiểu rõ hơn về dòng bơm ly tâm trục đứng Pentax Ultra 3V này hãy tham khảo các thông tin sau đây:

Cấu tạo của máy bơm trục đứng Pentax Ultra 3V

Máy bơm trục đứng Pentax Ultra 3V là dòng máy bơm ly tâm có cấu tạo:

  • Toàn bộ phần thân bơm, giá đỡ động cơ đều làm từ gang
  • Cánh bơm được làm bằng nhựa
  • Trục động cơ được làm bằng thép AISI 304
  • Phớt bơm ceramic-grafite <= 6 tầng cánh, grafite-silicon carbide >=7 tầng cánh.
  • Bơm sử dụng động cơ điện được trang bị lớp cách điện F, lớp bảo vệ IP44, IP55>=4.5HP

Thông số kỹ thuật chi tiết của sản phẩm 

Bảng thông số kỹ thuật của Máy bơm trục đứng Pentax Ultra 3V

Máy bơm trục đứng Pentax Ultra 3V

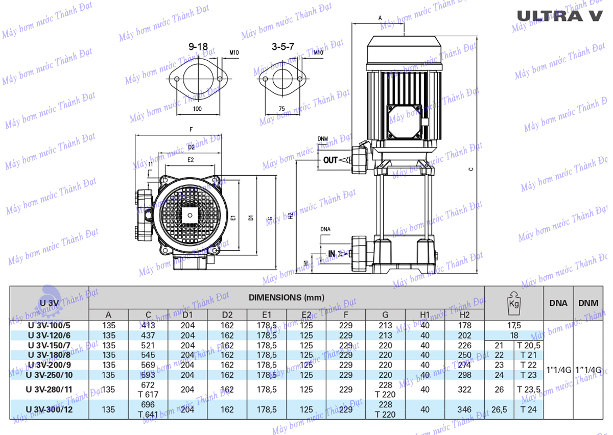
Bảng thông số kích thước của sản phẩm

Máy bơm trục đứng Pentax Ultra 3V

Bảng biểu đồ lưu lượng cột áp của Máy bơm trục đứng Pentax Ultra 3V

Thông số kỹ thuật và đặc điểm chi tiết của Máy bơm trục đứng Pentax Ultra 3V

Model

Pentax Ultra 3V

Công suất

1HP – 3HP

Nhiệt độ chất lỏng bơm

5 ° – 35 °C

Lưu lượng Max

4.8 m3/h

Cột áp Max

121,5 m

Điện áp

1pha/3pha

Cửa đẩy

1″1/4G

Cửa hút

1”1/4G

Hãng sản xuất

Pentax

Xuất xứ

Italy

Dòng bơm Pentax Ultra 3V được cung cấp trên thị trường với 2 loại điện áp 3 pha 3 ~ 230/400V-50Hz(<=4KW), 3 ~ 400/690V-50Hz (>=4KW) và điện áp 1 pha 1 ~ 230V-50Hz và cùng công suất từ 1HP – 3HP. Dưới đây là thông số kỹ thuật chi tiết của từng model bơm:

Model

Công suất

Lưu lượng

Cột áp

 U3V-100/5T

1

0.75

0,6 – 4,8

48.9 – 14

 U3V-120/6T

1.2

0.9

0,6 – 4,8

58.7– 18.3

 U3V-150/7T

1.5

1.1

0,6 – 4,8

71.3– 26.9

 U3V-180/8T

1.8

1.3

0,6 – 4,8

80.6– 30.8

 U3V-200/9T

2

1,5

0,6 – 4,8

92.2– 34.1

 U3V-250/10T

2.5

1.8

0,6 – 4,8

102.9– 37.3

U3V-280/11T

2.8

2.1

0,6 – 4,8

112.3– 40.5

U3V-300/12T

3

2.2

0,6 – 4,8

121.5

Mô tả chi tiết về dòng bơm trục đứng Pentax Ultra 3V:

  • Công suất: 1HP – 3HP
  • Điện áp: 1pha/3pha
  • Lưu lượng max: 4,8 m3/h
  • Cột áp max: 121,5 m
  • Nhiệt độ chất lỏng bơm: 5 ÷ 35 °C
  • Nhiệt độ môi trường tối đa: 40 °C
  • Áp suất làm việc tối đa: 8 bar <= 6 tầng cánh, 14 bar >= 7 tầng cánh

Ứng dụng của máy bơm Pentax Ultra 3V

Dòng máy bơm trục đứng Pentax Ultra 3V có khả năng ứng dụng rộng rãi trong các lĩnh vực sau:

  • Hệ thống bơm chữa cháy, bơm cứu hỏa để làm bơm bù áp, đảm bảo cung cấp áp suất và lưu lượng nước cần thiết cho các hệ thống phòng cháy chữa cháy.
  • Hệ thống ngưng tụ, hệ thống bơm tuần hoàn nước.
  • Hệ thống tưới tiêu cung cấp nước cho cây trồng một cách có hiệu quả.
  • Hệ thống lọc nước RO cấp nước đầu vào cho các hệ thống lọc nước công nghiệp, RO.
  • Hệ thống bơm nồi hơi để bơm nước cấp cho các nồi hơi công nghiệp.
  • Bơm tăng áp cấp nước cho tòa nhà cao tầng như các chung cư, trung tâm thương mại.

Thành Đạt 34 đường Láng địa chỉ mua máy bơm trục đứng Pentax chính hãng uy tín

Công ty Thành Đạt tại 34 đường Láng là một trong những địa chỉ uy tín và đáng tin cậy để mua máy bơm trục đứng Pentax chính hãng tại Hà Nội.

Thành Đạt là nhà phân phối và đại lý uỷ quyền chính thức của Pentax tại Việt Nam. Với hơn 20 năm kinh nghiệm trong lĩnh vực cung cấp và phân phối máy bơm, Thành Đạt cam kết mang đến cho khách hàng những sản phẩm chất lượng cao, chính hãng và dịch vụ hậu mãi uy tín.

Tại showroom 34 đường Láng, khách hàng có thể tìm thấy đầy đủ các sản phẩm của dòng máy bơm trục đứng Pentax Ultra 3V cùng các sản phẩm khác của thương hiệu này. Các sản phẩm đều là hàng mới 100%, giấy tờ CO/CQ, tem chống hàng giả của Bộ Công An.

Đội ngũ nhân viên kinh doanh, nhân viên kỹ thuật viên giàu kinh nghiệm tại Thành Đạt sẽ tư vấn, hỗ trợ khách hàng lựa chọn dòng bơm trục đứng Pentax phù hợp, cũng như cung cấp thông tin chi tiết về các tính năng, ứng dụng của từng model. Đồng thời, chúng tôi sẽ hỗ trợ khách hàng trong việc lắp đặt, vận hành máy bơm.

Ngoài ra, Thành Đạt cam kết mang đến cho khách hàng các sản phẩm chính hãng bảo hành trong 12 tháng. Điều này giúp khách hàng yên tâm về chất lượng sản phẩm cũng như dịch vụ hậu mãi.

Với uy tín, chất lượng sản phẩm và dịch vụ hỗ trợ tốt, Thành Đạt tại 34 đường Láng, Hà Nội sẽ là địa chỉ tin cậy để mọi người có thể lựa chọn mua hàng.

CÔNG TY TNHH SẢN XUẤT THƯƠNG MẠI VÀ CÔNG NGHIỆP THÀNH ĐẠT

Chat Zalo Chat Facebook Miền Bắc:0912616114 Miền Name:0909152999