Contents
Máy bơm nước trục đứng đa tầng cánh Pentax Ultra 7V nhập khẩu chính hãng từ Ý
Máy bơm nước trục đứng đa tầng cánh là dòng máy bơm nước có thiết kế trục đứng với nhiều tầng cánh bơm hoạt động theo nguyên lý của lực ly tâm giúp bơm có thể đem tới lượng nước với cột áp lớn,
Trên thị trường dòng bơm trục đứng đa tầng cánh được phân phối vô cùng đa dạng về thương hiệu với nhiều dòng sản phẩm bơm khác nhau để phù hợp với mục đích sử dụng và chi phí của người dùng đưa ra.

Một trong những dòng bơm trục đứng đang được sử dụng nhiều nhất hiện nay chắc chắn phải nhắc tới dòng máy bơm nước trục đứng đa tầng cánh PentaxUltra 7V.
Đây là dòng máy bơm trục đứng được nhập khẩu chính hãng từ Italy với rất nhiều model công suất khác nhau cùng cấu tạo chắc chắn giúp bơm có thể đem tới lượng nước với cột áp lớn, tiết kiệm điện năng tiêu thụ và có hiệu suất làm việc cao.
Tìm hiểu thông tin chi tiết về máy bơm trục đứng Pentax Ultra 7V
Cấu tạo chi tiết của dòng máy bơm Pentax Ultra 7V
Máy bơm nước trục đứng Pentax Ultra 7V là dòng máy bơm được cấu tạo vô cùng đặc biệt so với các dòng bơm Pentax, hãy cùng chúng tôi đi tìm hiểu về đặc điểm cấu tạo của dòng bơm này nhé.

Dòng bơm trục đứng Pentax Ultra 7V là dòng bơm Pentax được thiết kế với phần động cơ được đặt trên đỉnh máy bơm. Động cơ và đầu bơm được lắp ráp với nhau và trục bơm và khớp nối theo phương thẳng đứng. Trong đó:
- Thân bơm, giá đỡ động cơ được làm từ bằng gang
- Cánh bơm được làm bằng nhựa
- Trục động cơ được làm bằng thép AISI 304
- Phớt bơm ceramic-grafite <= 6 tầng cánh, grafite-silicon carbide >=7 tầng cánh
- Bơm sử dụng động cơ điện 2 cực với 2 loại điện áp 1 pha, 3 pha và được trang bị lớp cách điện F cùng lớp bảo vệ IP44, IP55>=4.5HP.
Thông số kỹ thuật liên quan về sản phẩm
Bảng thông số kỹ thuật của bơm ly tâm trục đứng Pentax Ultra 7V
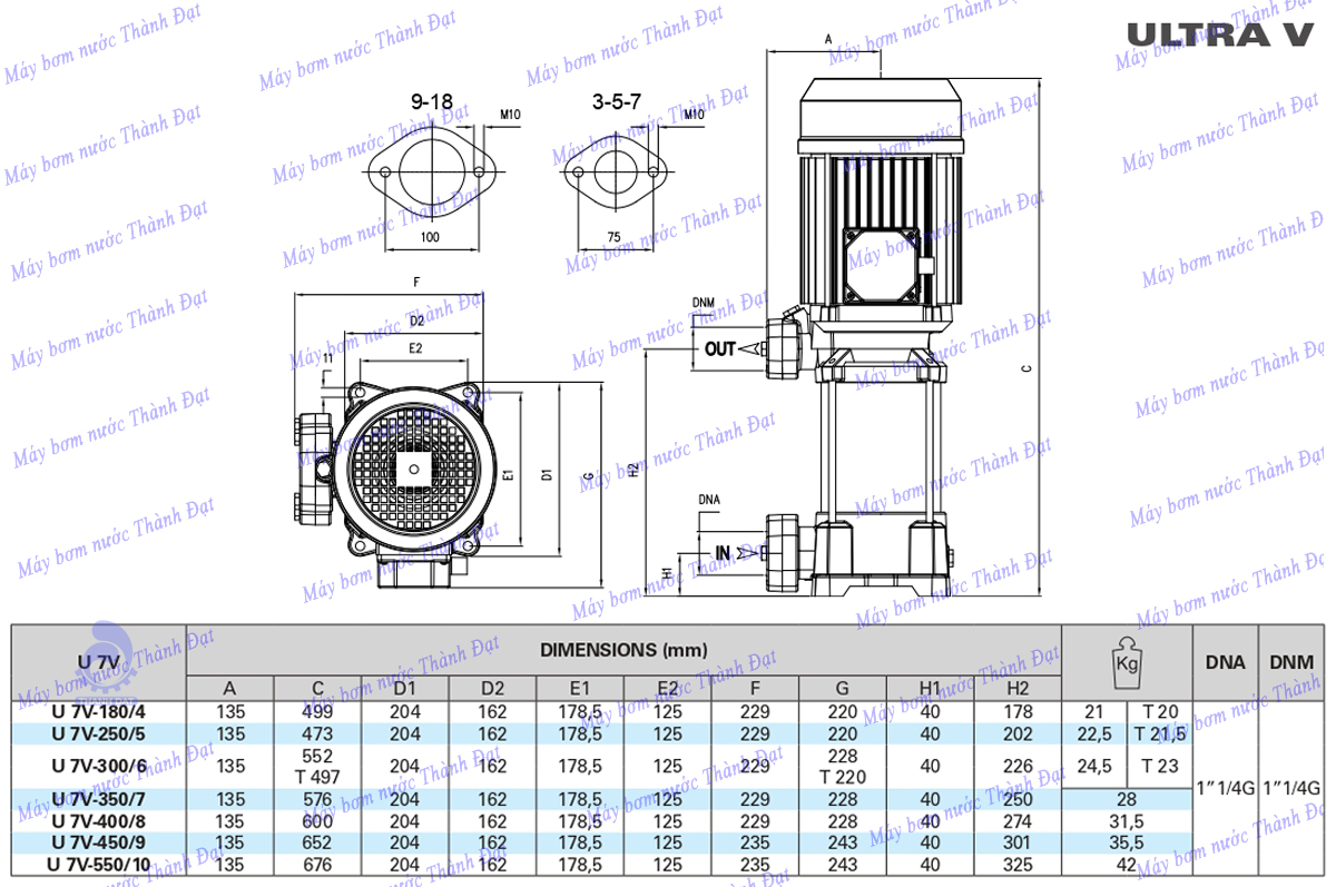
Bảng thông số kích thước của Máy bơm trục đứng Pentax Ultra 7V

Bảng biểu đồ lưu lượng cột áp của bơm trục đứng Pentax Ultra 7V

Thông số kỹ thuật và đặc điểm chi tiết của máy bơm trục đứng Pentax Ultra 7V
Model | Pentax Ultra 7V |
Công suất | 1.8HP – 5.5HP |
Nhiệt độ chất lỏng bơm | 5 ° – 35 °C |
Lưu lượng Max | 10,2 m³/h |
Cột áp Max | 123,8 m |
Điện áp | 1pha/3pha |
Cửa đẩy | 1″1/4G |
Cửa hút | 1”1/4G |
Hãng sản xuất | Pentax |
Xuất xứ | Italy |
Bơm trục đứng Pentax Ultra 7V được thành rất nhiều model như U7V-180/4T, U7V-250/5T, U7V-300/6T, U7V-350/7T, U7V-400/8T, U7V-450/9T, U7V-550/10T với công suất từ 1.8HP đến 5.5HP và sử dụng điện áp 1 pha ~ 230V-50Hz, điện áp 3 pha ~ 230/400V-50Hz nên có thể sử dụng cả các hệ thống cấp nước của gia đình lẫn hệ thống cấp nước công nghiệp.
Dòng bơm Pentax Ultra 7V có thể hoạt động ổn định ở nhiệt độ môi trường tối đa 40 độ C và bơm chất lỏng có nhiệt độ từ 5 ÷ 35 °C.
Các sản phẩm bơm Pentax Ultra 7V có khả năng đem lại lượng nước với lưu lượng lên tới 10.2 m3/h cùng cột áp lên tới 123.8 m. Dưới đây là thông số kỹ thuật chi tiết của từng model:
Model | Công suất (HP -KW) | Lưu lượng (m3/h) | Cột áp (m) | |
U7V-180/4T | 1.8 | 1.3 | 2.4 – 10.2 | 47.4 – 16.9 |
U7V-250/5T | 2.5 | 1.85 | 2.4 – 10.2 | 60.6 – 21.5 |
U7V-300/6T | 3 | 2.2 | 2.4 – 10.2 | 71.5 – 26.7 |
U7V-350/7T | 3.5 | 2.6 | 2.4 – 10.2 | 83.3 – 32.2 |
U7V-400/8T | 4 | 3 | 2.4 – 10.2 | 96.1 – 43 |
U7V-450/9T | 4.5 | 3.31 | 2.4 – 10.2 | 109.7 – 49 |
U7V-550/10T | 5.5 | 4 | 2.4 – 10.2 | 123.8 – 61 |
Ứng dụng của dòng bơm trục đứng Pentax Ultra 7V
Máy bơm Pentax Ultra 7V là dòng máy bơm nước ly tâm trục đứng chuyên dụng được sử dụng rộng rãi trên thị trường với nhiều ứng dụng khác nhau như:
- Máy bơm Pentax Ultra 7V dùng cho việc vận chuyển tuần hoàn nước.
- Máy bơm Pentax Ultra 7V dùng trong hệ thống tăng áp và cung cấp nước của các tòa nhà cao tầng.
- Máy bơm Pentax Ultra 7V dùng trong hệ thống bơm chữa cháy, cứu hỏa để làm bơm bù áp.
- Máy bơm Pentax Ultra 7V được dùng trong hệ thống cung cấp nước cho nồi hơi.
- Máy bơm Pentax Ultra 7V được dùng trong hệ thống xử lý, lọc nước.
Nhà phân phối máy bơm trục đứng Pentax Ultra 7V với nhiều ưu đãi – Máy bơm Thành Đạt
Công ty Máy bơm Thành Đạt – nhà phân phối ủy quyền của Pentax tại Việt Nam, hiện đang cung cấp rất nhiều sản phẩm bơm Pentax và có dòng máy bơm trục đứng Pentax Ultra 7V. Quý khách chọn mua bơm tại đây sẽ được mua bơm chính hãng với rất nhiều ưu đãi hấp dẫn .

Khi mua máy bơm Pentax Ultra 7V tại Công ty Máy bơm Thành Đạt, khách hàng sẽ được hưởng các ưu đãi đặc biệt như:
- Có đầy đủ các model máy bơm với công suất khác nhau, tất cả đều là hàng chính hãng, đầy đủ CO/CQ, tem chống hàng giả.
- Giá bán cạnh tranh nhất thị trường, được niêm yết rõ ràng và minh bạch.
- Được tư vấn và hỗ trợ kỹ thuật từ đội ngũ nhân viên có chuyên môn cùng nhiều năm kinh nghiệm.
- Giao hàng nhanh chóng, phân phối bơm trên toàn quốc
- Nhiều chương trình ưu đãi, khuyến mãi hấp dẫn cho khách hàng mua bơm số lượng lớn như hỗ trợ vận chuyển, giảm giá, chiết khấu cao.
- Chính sách bảo hành lên đến 12 tháng, đảm bảo sự an tâm cho khách hàng.
Với những ưu đãi và dịch vụ chất lượng cao này, Công ty Máy bơm Thành Đạt cam kết sẽ mang đến trải nghiệm mua hàng tốt nhất cho khách hàng khi lựa chọn máy bơm Pentax Ultra 7V.
Hãy liên hệ ngay với chúng tôi để được tư vấn và báo giá chi tiết:
CÔNG TY TNHH SẢN XUẤT THƯƠNG MẠI VÀ CÔNG NGHIỆP THÀNH ĐẠT
- Hà Nội: 34 Đường Láng, Ngã Tư Sở, Hà Nội
- Hồ Chí Minh: 815/7 Hương Lộ 2, phường Bình Trị Đông A, quận Bình Tân, TPHCM
- Điện thoại: 024 3564 1884 – 024 3564 3397
- Fax: 024 3782 1461
- Hotline Miền Bắc: 0913 985 808
- Hotline Miền Nam: 0909 152 999
- Email: thanhdat@maycongnghiep.vn








