• Ưu đãi về giá
  • Uy tín, chất lượng
  • Vận chuyển toàn quốc
Hotline hỗ trợ 0912616114

Máy bơm nước Foras KBJ

  • Giá: Liên Hệ

Máy bơm nước Foras KBJ

Máy bơm nước Foras KBJ

Bảng thông số kỹ thuật chi tiết lưu lượng cột áp của máy bơm nước Foras KBJ
Máy bơm nước Foras KBJ bảng thông số kỹ thuật

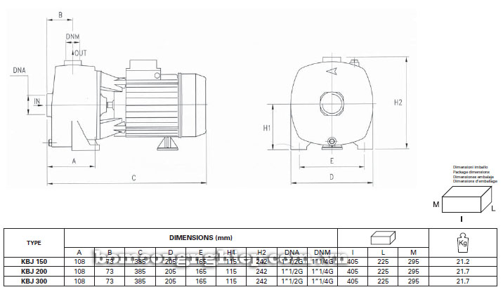
Bảng thông số chi tiết kích thước của máy bơm nước Foras KBJ

 Bảng thông số chi tiết kích thước của máy bơm nước Foras KBJ bảng thông số chi tiết kích thước

Biểu đồ thông số hoạt động của máy bơm nước Foras KBJ

 Bảng thông số chi tiết kích thước của máy bơm nước Foras KBJ biểu đồ hoạt động

Ứng dụng của máy bơm nước Foras KBJ

Máy bơm nước Foras KBJ là máy bơm nước ly tâm dùng cho cấp nước dân dụng và công nghiệp, hệ thống tưới vườn quy mô nhỏ, tưới phun, cấp nước sinh hoạt…

Vật liệu cấu tạo của máy bơm nước Foras KBJ

Thân bơm : Sắt

Khung: Sắt

Trục:Thép AISI303

Cách quạt: Đồng hoặc nhựa Norly

Động cơ điện cảm ứng hai cực

Lớp cách điện: F

Cấp độ bảo vệ: IP44

Giới hạn hoạt động của máy bơm nước Foras KBJ

Áp suất tối đa: 8bar

Nhiệt độ chất lỏng tối đa: 0 – 50 °C

Máy bơm nước Foras KBJ

Chat Zalo Chat Facebook Miền Bắc:0912616114 Miền Name:0909152999